*Automatic Blackout Switch*
All my outdoor lighting now operates from my alt-power setup. This includes the 12V garden lights and the Compact Fluorescent Bulbs (CFL) on each side of my driveway. Solar panels charge up the batteries during the day, and the lights automatically come on at night. My Morningstar controller turns on my lights when the sun goes down. I'll have another article that shows the complete setup.
The problem is when the grid goes down, my system continues to work as if nothing happened. My house suddenly is the only one lit up like a Christmas tree in my neighborhood. Moments later, I would expect my neighbors to come knocking, asking why I have power, and they don't. Worse yet, some would show up with an extension cord and ask to tap into my resources. They probably wouldn't grasp that my system was sized for 1 house, not all my neighbors.
The fix is rather easy. I added a relay that is powered by a small 12V (wall wart) transformer. As long as grid power is available, the relay stays engaged, allowing the Morningstar controller to turn on my outdoor lighting every night. When the grid goes offline, the relay drops out, turning off my outdoor lighting. Simple. The only extras I've added was an LED to indicate the grid status, and a bypass switch which allows me to turn on the outdoor lighting even when the grid is down.
Parts
I built mine from junk I had in my shop. If you're an electronics hobbyist, no doubt you'll have these items laying around as well. You can get as fancy as you want, but here are the basics I used:
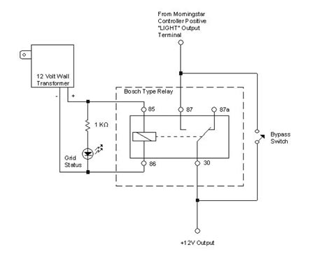
The Schematic

Note: Some of these Bosch 30A type relays have the 87 and 87a contacts reversed. Makes the NO and NC functions reversed, so be aware. I bought some of these relays from Ebay that have these two pins reversed, even though the diagram on the relay shows otherwise! Check with a meter to be certain.

At the bottom center of this picture is my Automatic Blackout box.  To the left of that are two relays.  One operates my garden lights, the other operates the 400 Watt inverter, which is connected to the CFL bulbs on each side of my driveway.

A little closer view of the controller, blackout box, and relays.

Nothing fancy, just a project box with the switch and LED.  This part isn't even necessary.  Could connect the relay to the transformer directly, no status light or override capability.

Hey, THEY have power, where's my extension cord!
This simple circuit works great. My power has gone out a couple of times since it was installed. My house immediately goes into stealth mode. No need to manually turn off the lights. Another benefit is no power is wasted on external lighting when the grid goes down. Power conservation time.
From the street view, my house has no power either.  Simple build.  Maybe 1/2 hr of your time, and probably free with common junk box parts.
2manytoyz
www.alpharubicon.com
All materials at this site not otherwise credited are Copyright © 1996 - 2008 Trip Williams. All rights reserved. May be reproduced for personal use only. Use of any material contained herein is subject to stated terms or written permission.