*How to replace a fuel pump in an "S" series Chevrolet truck *
By: Tonys
27 September 2010
Removal
STEP 1. The first thing you will need to do is disconnect the negative battery cable and isolate it from the post to prevent accidental arcing.
Step 2. Relieve the pressure on the fuel system. I usually find the fuel pressure port under the hood. It will look like the tip of the valve stem on your tires and it will be located on the fuel rail. Wrap a large absorbent rag around the fitting and depress the Schrader valve. Make sure you don’t allow the fuel to squirt into your eyes. Sorry I could not find a good picture of this.
Step 3. Remove the fuel filler neck by opening the fuel filler door and removing the three Phillips head screws you will see there. Then you should be able to reach the hoses attached to the filler neck from underneath. You will see two hoses one an 1 1/2 inch filler hose and the other is an 3/4 inch vent line. They should both have hose clamps holding them to the filler neck. Loosen the clamps and remove the hoses. Then you should be able to remove the filler neck from the vehicle.
Step 4. You will now be able get a hose into the tank to drain most of the fuel from the tank. Make sure that if you use a pump to remove the fuel, it is a pump that is rated for fuel.
Step 5. Jack the vehicle up. I am hoping that if you are attempting this you already know how to properly, and safely jack up a vehicle, and you will always use jack stands in a secure location under the vehicle, so I wont go into the steps involved in that here.
Step 6. Remove the plastic shield from the front of the fuel tank (Note: not all vehicles have this shield)
Step 7. Support the fuel tank. A floor jack with a piece of plywood to distribute the weight is ok. A transmission jack is almost ideal.
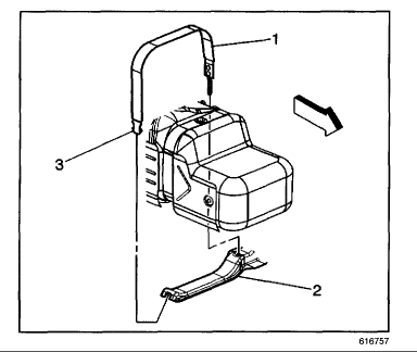
Step 8. Remove the front strap 1 by removing the nut from the stud located at 2 in pic below then you can unhook it from the slot at 3.

Step 9. Remove the rear strap, same manner as front strap. It may be necessary to remove the brackets that the straps attach to from the frame. You will find 3-4 access holes in the frame that will allow you to reach the bolt head with a socket and extension most are 15mm bolt heads.
Step 10. Very carefully and slowly lower the fuel tank only a couple inches until you can get your hand between the body and tank so you can access the lines and disconnect them. Be aware the fuel lines are plastic and may break if the tank is lowered quickly or more than they can bend.
Step 11. Disconnect the lines by squeezing the plastic tabs while pushing the lines on then pulling off. Disconnect the electrical connector. (Note there are some connectors that have a belled end and no plastic tabs to squeeze. The ends on these lines are usually metal, these types require a special tool that you can buy at any parts house they are called quick disconnect tools. If you have this type you will need to find the size that fits snug around the line coming from the pump, then push into the joint of the lines. You will then push in on the line and the tool at the same time and then pull the line off).
The lines are of different sizes so you will not need to worry about mixing them up.
Step 12. You can now lower the fuel tank all the way down. You may find a ground strap attatched to the seam of the tank. Just pull it right off.
Step 13. Now that the tank is free from the vehicle clean all the dirt and crud from the top of it. Compressed air is great for this.
Step 14. Look at the top of the tank. There will be one of two things holding this pump in. Either a snap ring or a locking cam. Either way it needs to come out. The snap ring will be carefully removed from the locking tabs. If there is a locking cam you will need to use a dull chisel or punch on the end of one of the tabs and tap it around in a counter clockwise direction until it snaps out. Do not loose the snap ring or the ring. Be careful when removing the locking rings most of these pumps are spring loaded and it may just jump up at you when the lock is released.
Step 15. Now remove the pump from the tank. You will need to turn and angle it out to keep from damaging the fuel level sender float. It is a good Idea to have a drain pan or bucket to transfer the pump to because it will have fuel in it that can spill.
Installation is the opposite of removal.
When installing the pump make sure it goes back in the exact same position it was in originally. The pump is spring loaded, so it helps to have a spare pair of hands to help hold it down while the other hands replace the lock ring.
When reinstalling the lines they just push on until they click, then tug on them to ensure they are secure.
Put everything back the way it came off. Reconnect the battery, then refuel and cycle the key a couple times to prime the system, then start the engine. Let run for a few seconds, shut off and inspect closely for leaks. If there are no leaks go enjoy the $300.00 you just saved by doing it yourself!
www.alpharubicon.com
All materials at this site not otherwise credited are Copyright © 1996 - 2010 Trip Williams. All rights reserved. May be reproduced for personal use only. Use of any material contained herein is subject to stated terms or written permission.